Mon, Jun 19

Generator Winding Faults Events and Analysis

INTRODUCTION

Contrary to popular belief, generators can fail, not only from short circuits, but more frequently due to abnormal electrical conditions such as overexcitation, overvoltage, loss-of-field, unbalanced currents, abnormal frequency, and grounds. Damage or complete failure of the generator can occur within seconds when subjected to these abnormal conditions. In many cases, these failures can be prevented by applying best generator protection practices. Condition monitoring can prevent faults from occurring by the early detection and trending of specific system conditions which indicate extended non optimal operation due to unwanted factors.

This paper explores several such events that occurred at large power plants in the southwest region of the US so that the lessons learned can help others to avoid similar cases.

 

1st EVENT – ROTOR GROUND FAULT

The second event is a rotor ground fault that occurred for another large combustion turbine generator that also occurred during another summer rainstorm. Figure 1 shows the rotor field resistance to ground measured by the generator protection relay over a period of one month leading up to the event.

The numerical generator protection relay can periodically data record analog quantities it measures such as voltage and current. The relay stores these values in non-volatile memory. Use this function to track the value of field insulation resistance over time. The relay for this example is programmed to record the phase current on both sides of the stator winding, phase-to-phase voltage magnitude at the generator bus, neutral voltage magnitude, rotor field ground resistance, volts per Hertz and frequency with respect to the generator bus every ten (10) minutes.

 

FIGURE 1.  Data Recorder Configuration

The orange plot is of interest and represents the measured rotor field insulation resistance to ground. The ground fault occurred between 07-28-2021 and 08-02-2021. Review of the plot shows that the field resistance dropped to zero then slowly began to increase back to the pre-fault nominal value over the course of several days. The ground was due to water ingress which evaporated over time following the rainstorm. The spike was due to testing following the event; that is, the relay reports a large value when the measuring module is removed from service.

 

FIGURE 2.  Rotor Field Resistance to Ground

 

2nd EVENT – STATOR GROUND FAULT

Analysis of the third event demonstrates how to enhance the performance of stator ground fault protection, including faster operating time. Note that it is always assumed the generator is high impedance grounded through a neutral resistor across the secondary of a grounding transformer.

 

GENERATOR DATA

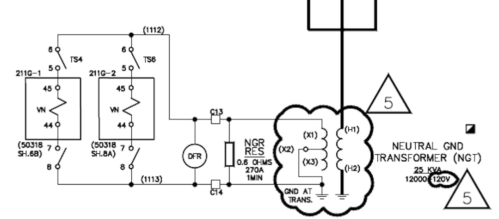
The generator is rated 13.8 kV line-to-line. The phase VT ratio is 120 and the grounding transformer turns ratio is 100. Figure 3 below illustrates the connections for the grounding transformer. The generator is high impedance grounded through a neutral resistor across the secondary of the grounding transformer to limit the magnitude of fault current flowing in the stator windings during a single phase-to-ground fault.

FIGURE 3.  Grounding Transformer Connections

 

Figure 4A and 4B shows the oscillography and phasors corresponding to the fault signals recorded by the numerical generator protection relay during the event.

FIGURE 4A.  Oscillography

 

FIGURE 4B.  Phasors

 

It can easily be seen by visual inspection of the oscillography that the stator ground fault was located on phase C.

 

FAULT LOCATION CALCULATION

Determine the location of the stator ground fault as follows:

 

  1. Generator Terminal Voltage = 13.8 kV/3
     = 7.97 kV line-to-ground (primary)

 

  1. Voltage Across Grounding Transformer (VG) = (7.97 kV)/100 = 79.67 V (secondary)

 

  1. Neutral Voltage (VN) = 77 V (secondary) taken from oscillography

(Voltage drop across neutral resistor)

 

  1. Fault Location with respect to generator neutral:

 

(VN*100%)/VG = 96.64%

 

FIGURE 5.  Fault Location with Respect to Generator Neutral

The actual fault location was close to the generator terminals and just external to the stator windings. There is some error in the calculated fault location due to relay accuracy and resistive losses in the grounding transformer. This calculation provided confidence that the stator ground was not internal to the stator winding and the generator could quickly be returned to service.

 

REACH OF 59N NEUTRAL OVERVOLTAGE PROTECTION

The neutral overvoltage function (59N) provides stator ground fault protection for high impedance grounded generators. The 59N function should provide ground fault protection for 90–95% of the stator winding (measured from the generator terminals). Note that the 59N function responds only to the fundamental frequency component.

Check the reach of the most sensitive element (59N1) which was originally set at 10.8 V secondary.

Reach = 1- P59N1VG*100%

Where:

P59N1 = 59N1 Voltage Pickup (10.8 V secondary)

VG = 79.67 V secondary (from fault location calculation)

Therefore, the original reach only covers up to 86% of the stator winding, which is less than recommended. Lowering the 59N1 voltage pickup to 5 V secondary (minimum setting) increases the reach to 94% of the stator winding, which is well within the recommended range. Now only the last six percent of the stator winding is unprotected.

 

Intermittent arcing accelerated ground fault protection

Classic 59N stator ground fault protection may not operate for an arcing ground fault. 59N must be set with a long-time delay to properly coordinate with adjacent transmission system protection. If the arc extinguishes before 59N trips, then following any restrikes the protection must start timing over again since it is reset.

An integrated stall timer that incorporates memory of recent previous arcing events provides fast tripping during intermittent arcing. Timer memory is accomplished by stalling timing of the 59N pickup timer when the initiating function pickup intermittently drops out, as is the case for arcing faults.

The logic can be initiated by any ground fault protection function that is being used (for example, 59N, 27TN, 59D, and 64S). The integrated stall timer consists of both the pickup and reset timers shown in Figure 6. A pickup time of 10 cycles is used for this application, with a reset time of 300 cycles, that is, if there is an arcing fault with an accumulated 10 cycles worth of arcing with the time between arcs less than 5 seconds, then this scheme will trip:

FIGURE 6.  Intermittent Arcing Accelerated Tripping Logic

 

The logic NOT 46DT AND NOT 52b is ANDed with the ground pickups to improve the security of this intermittent arcing protection by ensuring it does not falsely assert due to a phase-to-ground fault on the high side of the GSU. 46DT is a definite time negative-sequence overcurrent element.

 

CONCLUSION

This paper explores several generator protection events that occurred at large power plants in the southwest region of the US so that the lessons learned can help others to avoid similar cases. The summer of 2021 saw Arizona Public Service experience record breaking levels of rainfall throughout the entire season. Several generators tripped offline due to phase distance, rotor, and stator ground fault protection because of the water ingress. Some of the associated protection settings were optimized because of event analysis. Condition monitoring revealed the true source of the rotor ground fault, and it was demonstrated how to calculate the stator capacitance-to-ground for a large unit connected generator.